TS-B009
尺寸:3*4mm
操作方向:直按
产品分类:B系列3x4正按
应用:便携式音响。手机,数码产品
适用于其他数字化的各种设备操作
特点:提高了印刷线路板上的零部件贴装密度。
适用回流焊接。
敏感型,触感反馈,特性清晰。
开关采用12mm宽度编带包装。
操作方向:直按
产品分类:B系列3x4正按
应用:便携式音响。手机,数码产品
适用于其他数字化的各种设备操作
特点:提高了印刷线路板上的零部件贴装密度。
适用回流焊接。
敏感型,触感反馈,特性清晰。
开关采用12mm宽度编带包装。
1.客定电流:50mA 12V DC
2.接触虫电阻:100毫欧
3.接按力:400±100gf
4.行程:0.2士0.05mm
5.绝色缘电阻:100兆欧
6.耐电压:250v 50Hz 1Min
7.寿命:10万次
电路图

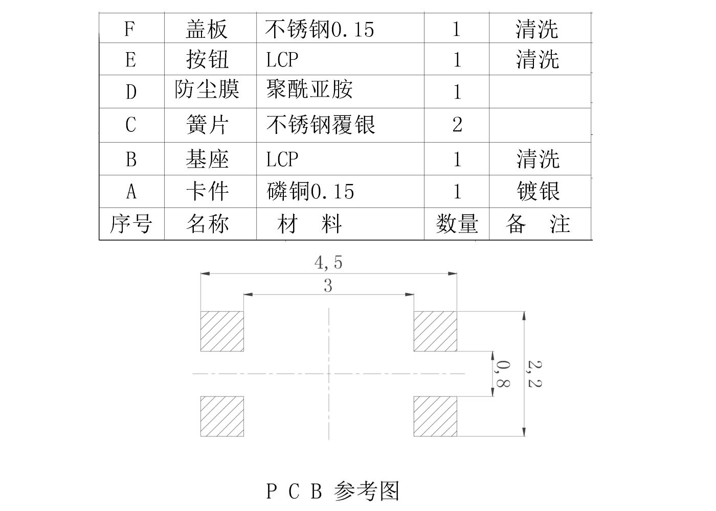
PCB 参考图
留言咨询
发送您的详细信息给我们,我们将会有项目经理主动与与您联系。











微信