TS-B012
尺寸:2.5*3mm
操作方向:直按
产品分类:B系列3x4正按
应用:便携式音响。手机,数码产品
适用于其他数字化的各种设备操作
特点:提高了印刷线路板上的零部件贴装密度。
适用回流焊接。
敏感型,触感反馈,特性清晰。
开关采用12mm宽度编带包装。
操作方向:直按
产品分类:B系列3x4正按
应用:便携式音响。手机,数码产品
适用于其他数字化的各种设备操作
特点:提高了印刷线路板上的零部件贴装密度。
适用回流焊接。
敏感型,触感反馈,特性清晰。
开关采用12mm宽度编带包装。
技术参数
1.额定电流:50mA 12V DC
2.接触电阻:100毫欧
3.行程:0.15±0.05mm
4.绝缘电阻:100兆欧
5.抗电强度:100v 50Hz 1Min
电路图
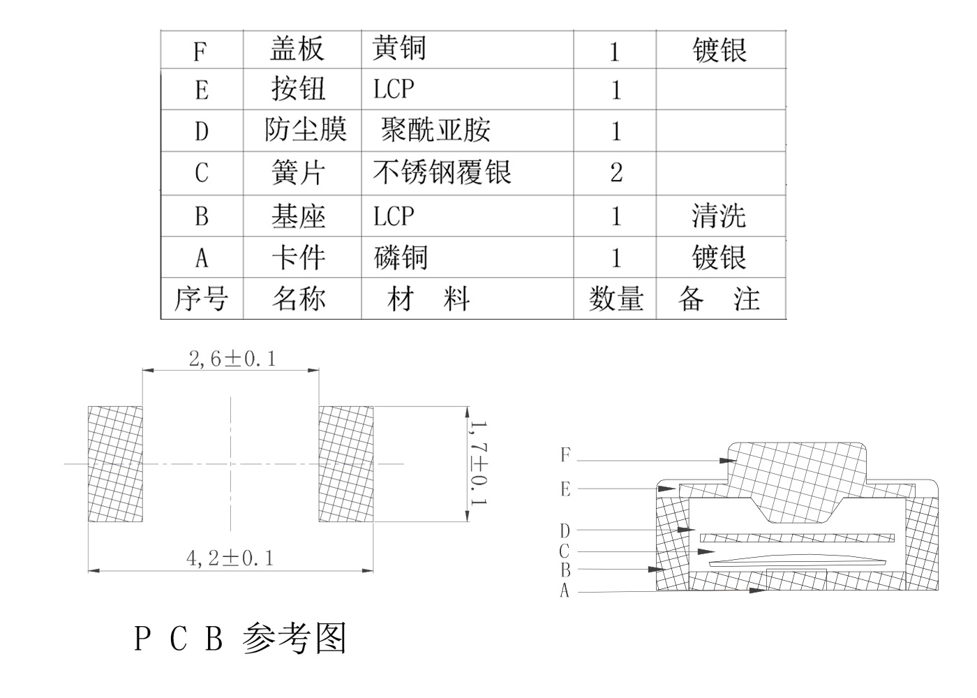
PCB参考图
留言咨询
发送您的详细信息给我们,我们将会有项目经理主动与与您联系。











微信