您好!欢迎来到深圳市高钺达电子科技有限公司官方网站!
产品中心
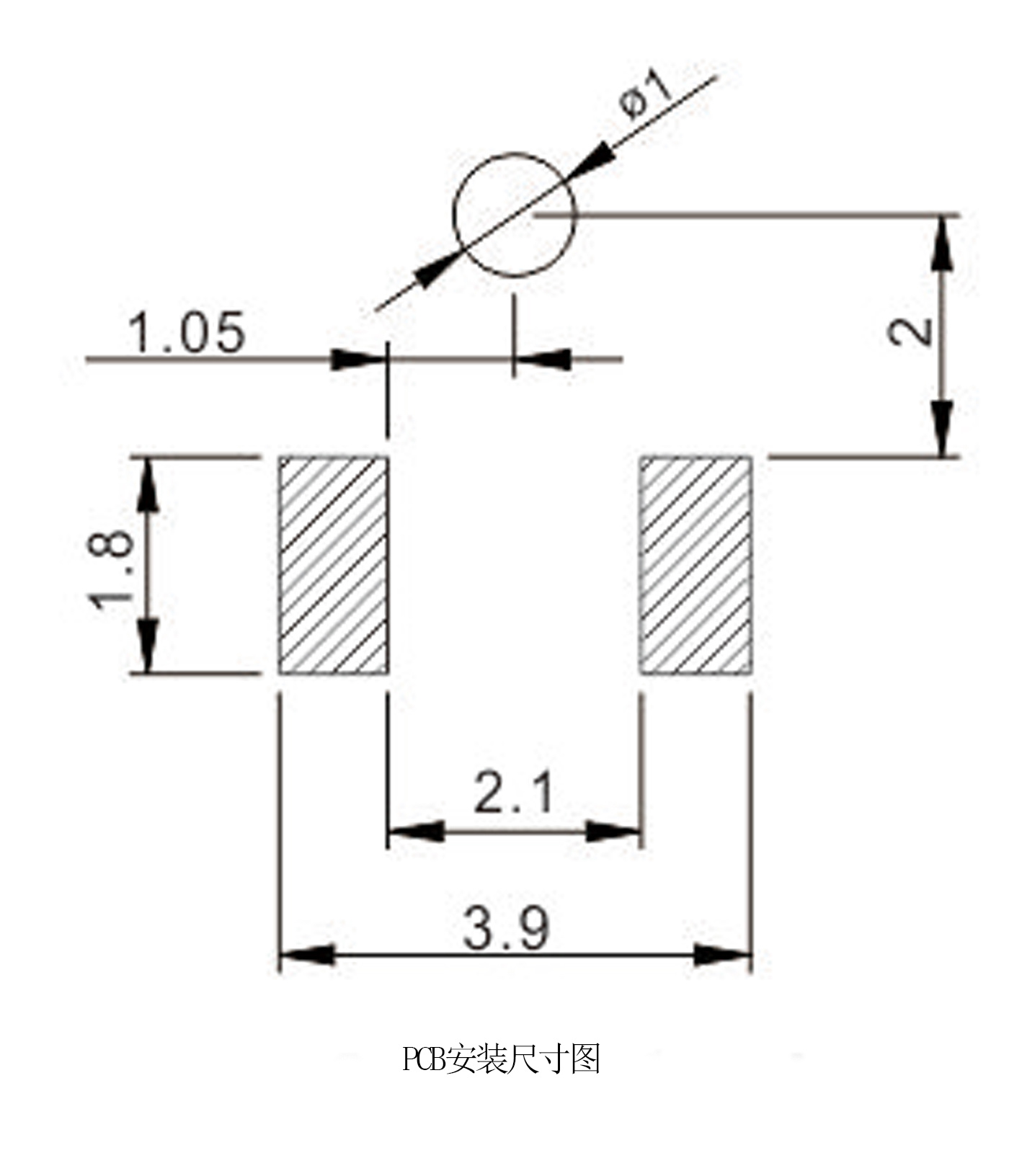
TS-D010
  • TS-D010
TS-D010
特长
◆ 提高了印刷线路板上的零部件贴装密度。
◆ 适应回流焊接。
◆ 密封接点结构,提高了可靠性。
◆ 开关采用12mm宽度编带包装。