TS-Q010(0.5翻盖下接H-1.2)
基本说明
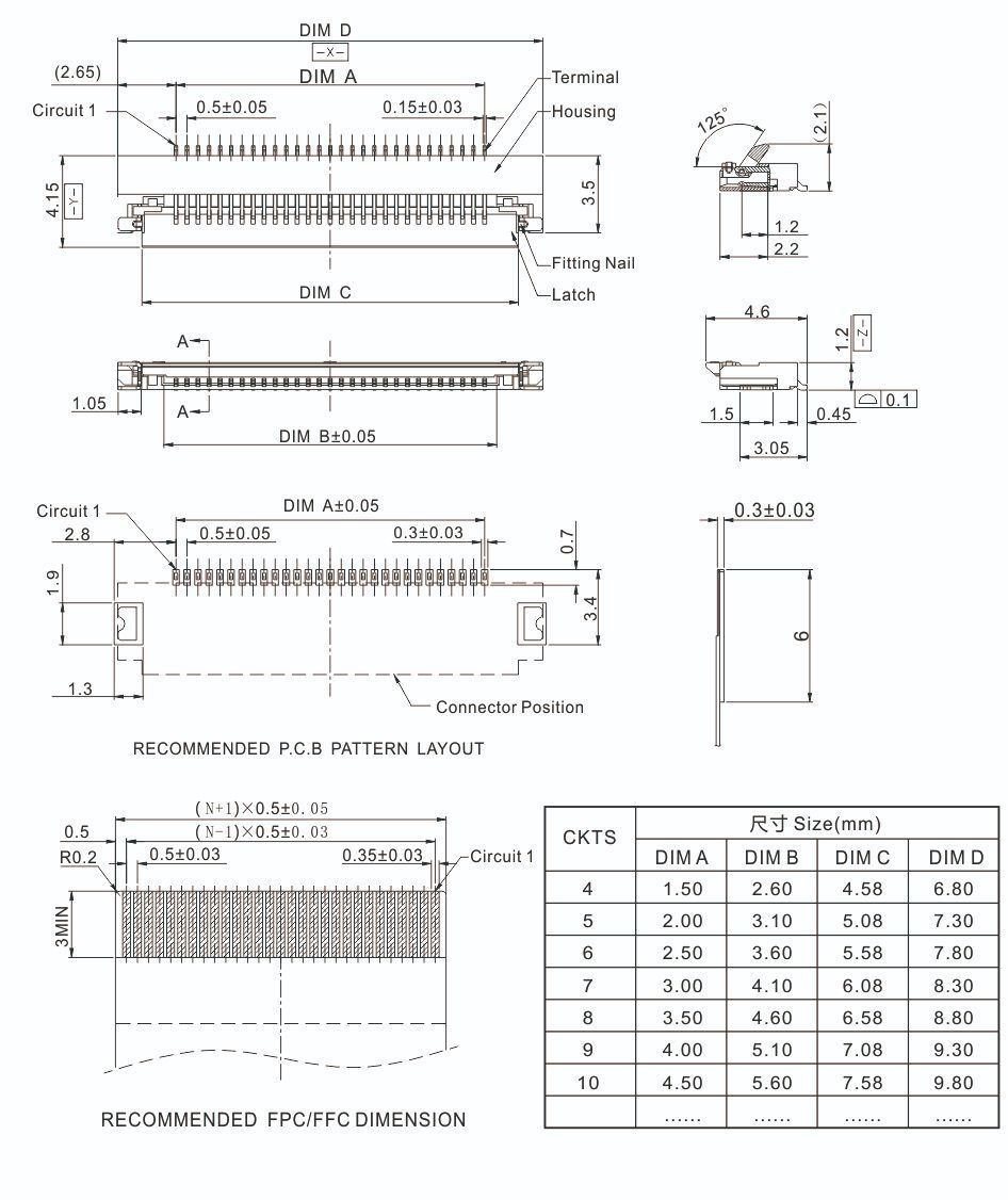
极数: 4~60
工作温度: -40°C~+85°C
额定电压(大) : 1250V,AC
接触电阻:≤0.02Ω
绝缘电阻:≥100MΩ
目前评级: 1.0A
耐压: 250VAC(rms)
材质
端子:铜合金
外壳:LCP
极数: 4~60
工作温度: -40°C~+85°C
额定电压(大) : 1250V,AC
接触电阻:≤0.02Ω
绝缘电阻:≥100MΩ
目前评级: 1.0A
耐压: 250VAC(rms)
材质
端子:铜合金
外壳:LCP
留言咨询
发送您的详细信息给我们,我们将会有项目经理主动与与您联系。











微信