TS-Q011(0.5后压H-1.0)
基本说明
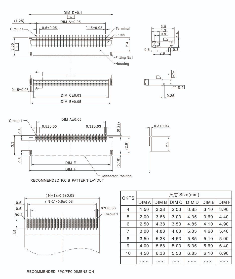
规格极数:4~40
工作温度:-40°C~+85℃
额定电压(大): 1250V,AC
接触电阻:≤0.02Ω
绝缘电阻:≥100MΩ
目前评级:1.0A
耐压:250VAC(rms)
材质
端子:铜合金
外壳:LCP
规格极数:4~40
工作温度:-40°C~+85℃
额定电压(大): 1250V,AC
接触电阻:≤0.02Ω
绝缘电阻:≥100MΩ
目前评级:1.0A
耐压:250VAC(rms)
材质
端子:铜合金
外壳:LCP
留言咨询
发送您的详细信息给我们,我们将会有项目经理主动与与您联系。












微信