您好!欢迎来到深圳市高钺达电子科技有限公司官方网站!
产品中心
TS-H004
  • TS-H004
TS-H004

尺寸:8.5*14mm

操作方式:直按

用途:适用于电子化的各种音响设备、办公设备、

通讯设备、测量仪器、TV、录像机、汽车等各种操作。

特点:适应波峰焊接。可在线路板上用按入式直接安装。

输出端子的一部分可作为跨接引线使用,电路设计简单。


1.额定电流:50mA 12V DC

2.接触电阻:100毫欧

3.行程:0.25±0.05mm

4.绝缘电阻:100兆欧

5.耐电压:250v 50Hz 1Mn


电路图

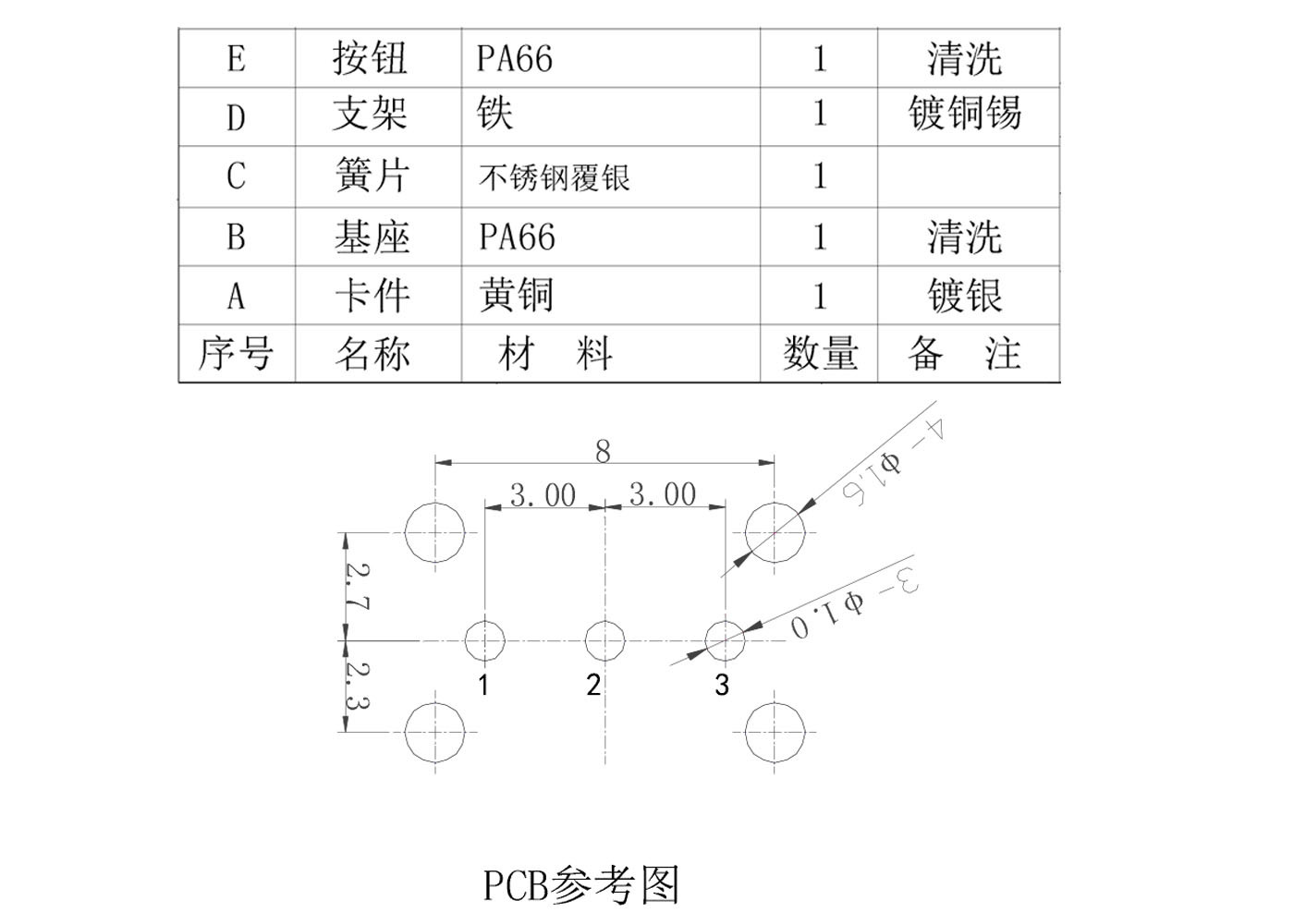
PCB 参考图