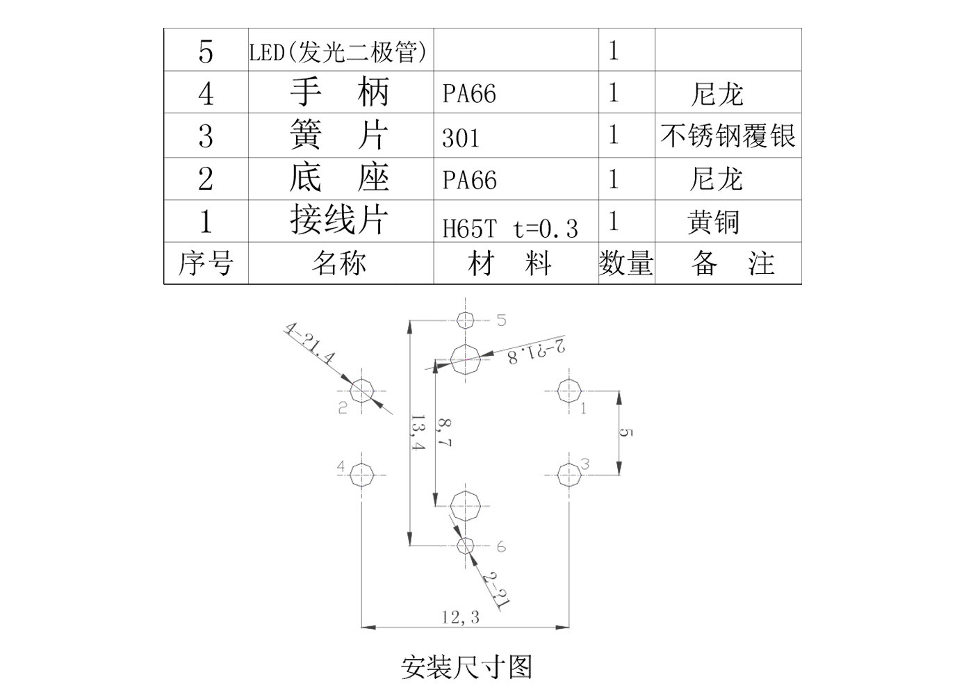
TS-J007
尺寸:12*12mm
操作方式:直按
用途:适用于电子化的各种音响设备、办公设备、通讯设备、测量仪器、TV、录像机、汽车等各种操作。
特点:适用波峰焊接。可在线路板上用按入式直接安装 输出端子的一部分可作为跨接引线使用,电路设计简单。
操作方式:直按
用途:适用于电子化的各种音响设备、办公设备、通讯设备、测量仪器、TV、录像机、汽车等各种操作。
特点:适用波峰焊接。可在线路板上用按入式直接安装 输出端子的一部分可作为跨接引线使用,电路设计简单。
技术参数
1.额定电流:50mA12VDC
2.接触电阻:100毫欧
3.行程:0.5土0. 1 mm
4.绝缘电阻: 100兆欧,
5.抗电强度:100v 50Hz 1Min
电路图
PCB参考图
留言咨询
发送您的详细信息给我们,我们将会有项目经理主动与与您联系。











微信