TS-F005
尺寸:8.2*8.2mm
操作方式:直按
用途:用于洗衣机等要求防水结构的各种
操作用开关。
特点:防水防潮,密封性好。
敏感型,可用按入式直接安装到线路板。
输出端子的一部分可作为跨接引线使用,电路
设计简单。
操作方式:直按
用途:用于洗衣机等要求防水结构的各种
操作用开关。
特点:防水防潮,密封性好。
敏感型,可用按入式直接安装到线路板。
输出端子的一部分可作为跨接引线使用,电路
设计简单。
1.额定电流:50mA 12V DC
2.接触电阻:100毫欧
3.行程:0.4±0.1mm
4.绝缘电阻:100兆欧
5.抗电强度:100v 50Hz 1Mit
电路图
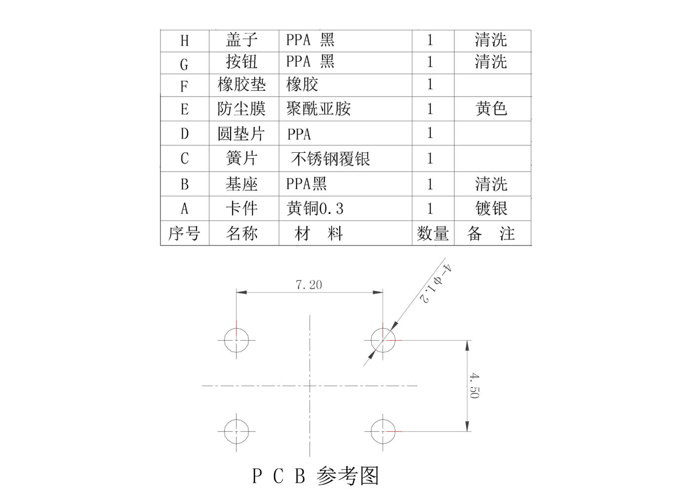
PCB 参考图
留言咨询
发送您的详细信息给我们,我们将会有项目经理主动与与您联系。











微信