您好!欢迎来到深圳市高钺达电子科技有限公司官方网站!
产品中心
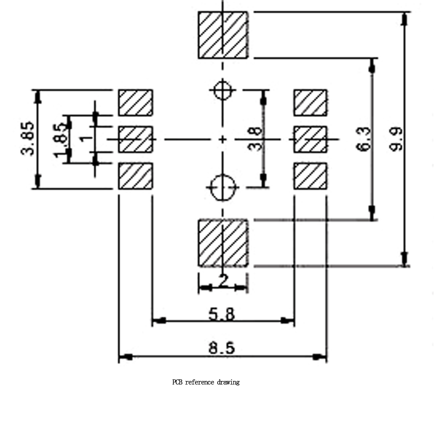
TS-I012
  • TS-I012
TS-I012

◆ 可用按入式直接安装到线路板。

◆ 输出端子的一部分可作为跨接引线使用,电路设计简单。

◆ 标准按钮可选。