您好!欢迎来到深圳市高钺达电子科技有限公司官方网站!
产品中心
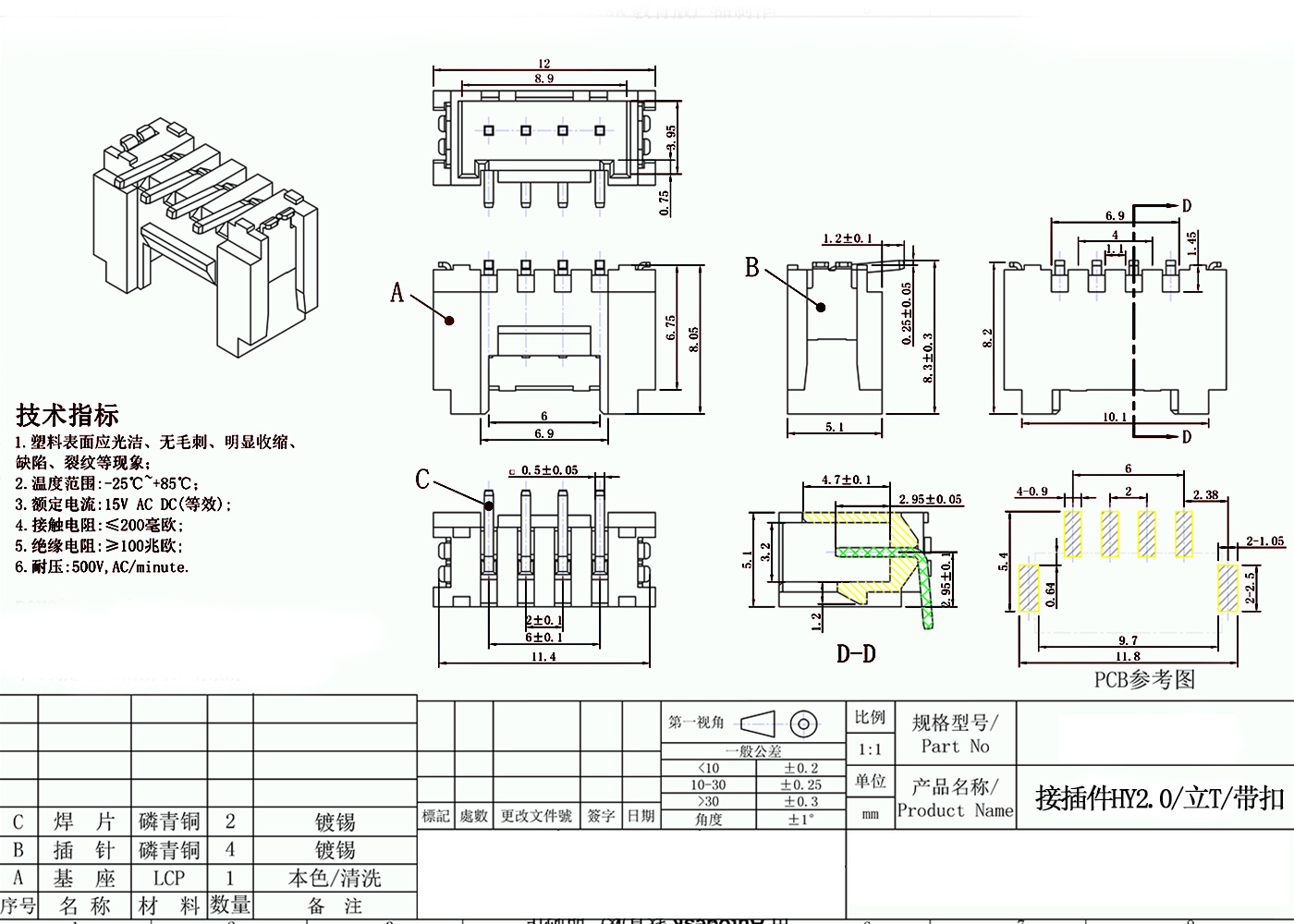
HY2.0立贴
  • HY2.0立贴
HY2.0立贴

1、塑件表面应光洁、无毛刺、明显收缩、缺陷、裂纹等现象;

2、温度范围: -25° C^ +85° C;

3、额定电压: 15V, AC, DC(等效);

4、接触电阻:≤200mΩ ;

5、绝缘电阻:≥100MΩ ;

6、耐压: 500V, AC/minute