TS-L003
操作方向:侧拨
尺寸:3.5*9.1mm
产品分类:L系列拨动开关
应用:适用于电子化各种音响设备、办公设备、通讯设备、测量仪器、TV、录像机、汽车及网络产品。
特点:滑块动作灵活,性能稳定可靠。
额定电负荷:DC4V 30mA
绝缘电阻:≥10OMΩ
耐压强度:AC250V (50Hz) 1min
行程:1.5士0.2
接触电阻:≤100Ω
动作力:180gf士50gf
寿命:10000次
电路图
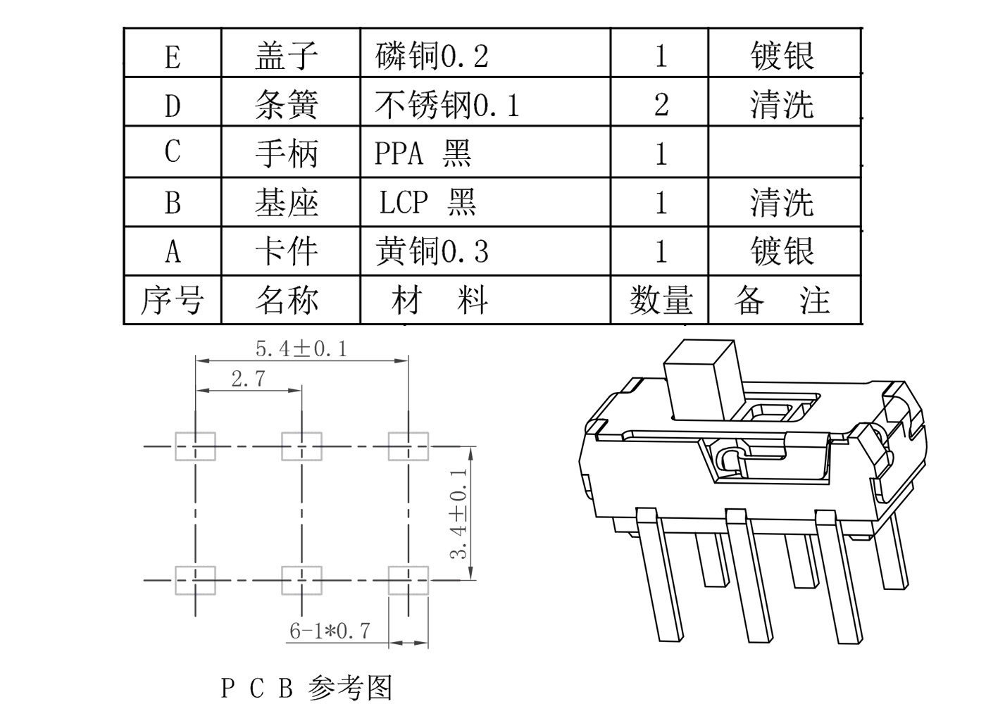
PCB参考图
留言咨询
发送您的详细信息给我们,我们将会有项目经理主动与与您联系。











微信